+54 (11) 4641-4094
+54 (11) 4642-3435
comercial@metalurgicamasrl.com.ar
ZONA CLIENTES
Home
Empresa
Productos
Sistema de codificación
Calidad
Descargas
distribuidores
Contacto
Empresa
Productos
Sistema de codificación
Calidad
Descargas
distribuidores
Contacto
Inicio |
productos |
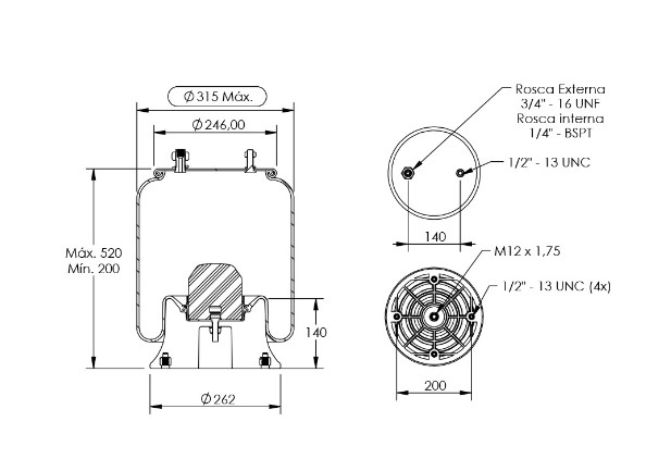
2451/1US |
Productos Importados / Conjuntos Tubulares Unidad Sellada
COD. 2451/1US
CAMARA DE CARGA (ST433) A 140MM EJES ADIC.BOERO-STORANI
Ficha técnica
Consultar